OEM N type RF Coaxial Connector Supplier

Ningbo Hanson Communication Technology Co., Ltd. Dom / Proizvodi / RF koaksijalni konektor / RF koaksijalni konektor tipa N

RF koaksijalni konektor tipa N

Opis:

RF koaksijalni konektor serije N je RF koaksijalni konektor s mehanizmom za spajanje s navojem razvijen i proizveden u skladu s američkim vojnim standardom MIL-C-39012. Ima karakteristike široke pojasne širine, dobre otpornosti na udarce, visoke pouzdanosti i izvrsnih performansi, a naširoko se koristi u mikrovalnim komunikacijama i mjernim sustavima. Karakteristična impedancija RF koaksijalnog konektora serije N koju proizvodi naša tvornica podijeljena je u dvije vrste: 50Ω i 75Ω.

Parametar:

Glavne tehničke specifikacije:
◆ Karakteristična impedancija: 50Ω/75Ω
◆ Frekvencijski raspon: DC-18GHz(50Ω)/DC-3GHz(75Ω)
◆ Izolacijski otpor: ≥5000MΩ
◆ Dielektrični otporni napon: 1500 V (rms)
◆ Omjer stojnog vala napona (VSWR): ≤1,30
◆ Ciklusi parenja: 500 puta

Raspitajte se

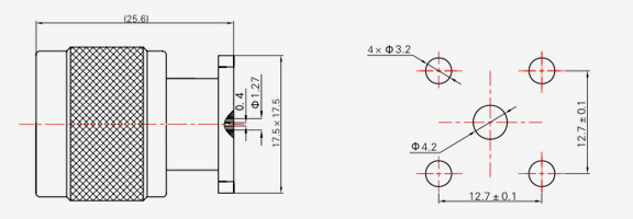
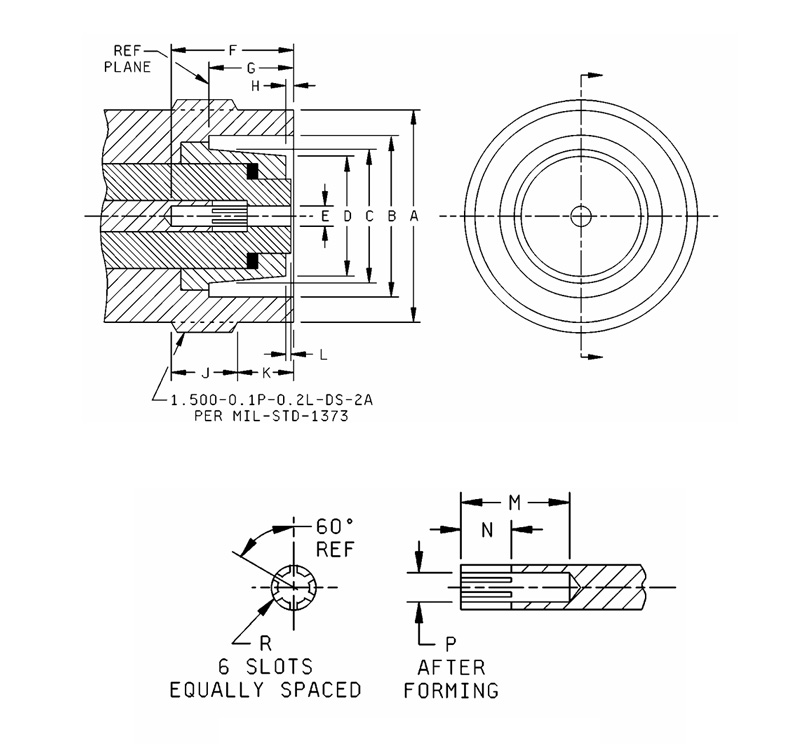
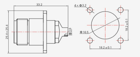
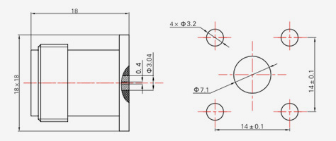
Dim
Ltr
Inči (mm)
Min. Maks.
A 0,336 (8,53) 0,344 (8,74)
B 0,316 (8,03) 0,320 (8,13)
C 0,356 (9,04) 0,362 (9,19)
D 0,187 (4,75) 0,207 (5,26)
E ------- 0,627 (15,93)
F 0,119 (3,02) 0,124 (3,15)
G 0,422 (10,72) -------
H 0,172 (4,37) 0,220 (5,59)
J 0,047 (1,19) 0,077 (1,96)
K 0,047 (1,19) 0,077 (1,96)
L 0,187 (4,75) 0,207 (5,26)
N 0,210 (5,33) -------

Bilješke:
1. Ovo sučelje mora ispunjavati zahtjeve za profil kako je navedeno u
MIL-PRF-39o12/2.
2. Zazor za spojnu maticu spojnog konektora.
3. Zadovoljiti VSwR, karakteristike parenja, kontaktni otpor i
izdržljivost konektora kada se spoji s klinom promjera a.063/.066.

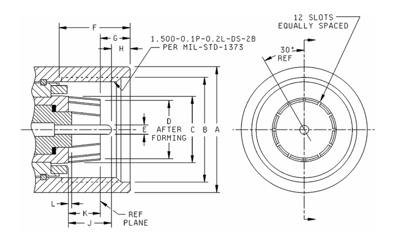
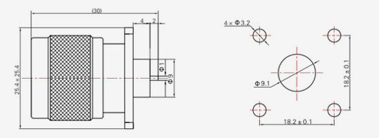
Dim
Ltr
Inči (mm)
Min. Maks.
A 1.740 (44.20) 1.760 (44.70)
B 1,537 (39,04) 1,543 (39,19)
C 1.060 (26.92) 1.064 (27.03)
D 0,964 (24,49) 0,974 (24,74)
E 0,194 (4,93) 0,196 (4,98)
F 0,836 (21,23) 0,856 (21,74)
G 0,372 (9,45) 0,392 (9,96)
H 0,271 (6,88) 0,291 (7,39)
J 551 (14,00) 0,571 (14,50)
K 0,370 (9,40) 0,380 (9,65)
L 0,001 (0,03) 0,013 (0,33)

Bilješke:
1. Ovo sučelje mora ispunjavati zahtjeve za profil kako je navedeno u MIL-PRF-39012/44.

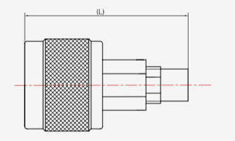
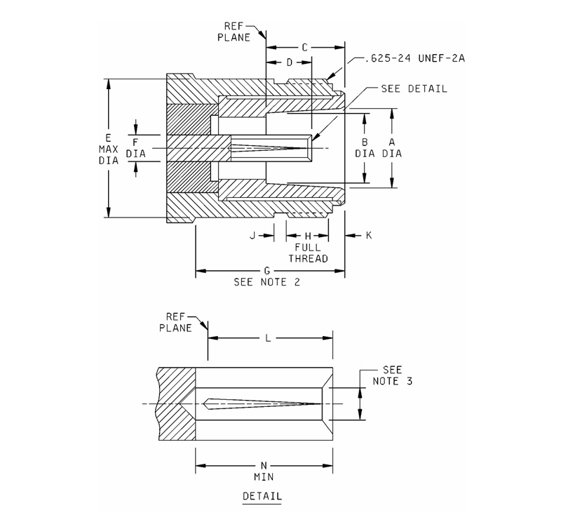
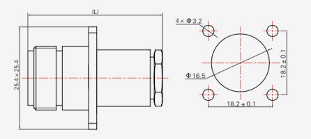
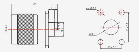
Dim
Ltr
Inči (mm)
Min. Maks.
A 1,404 (35,66) 1,408 (35,76)
B 1.100 (27.94) 1.120 (28.45)
C 1,998 (50,75) 1,002 (25,45)
D 936 (23,77) 0,940 (23,88)
E 0,191 (4,85) 0,195 (4,95)
F 0,763 (19,38) 0,783 (19,89)
G 0,465 (11,81) 0,485 (12,32)
H .062 (1.57) Referenca
J 0,302 (7,67) 0,322 (8,18)
K 0,302 (7,67) 0,322 (8,18)
L 0,001 (0,03) 0,013 (0,33)
M 0,490 (12,45) 0,510 (12,95)
N 0,240 (6,10) ,260 (6,60)
P 0,187 (4,75) 0,189 (4,80)
R 0,014 (0,36) 0,018 (0,46)

Bilješke:
1. Ovo sučelje mora ispunjavati zahtjeve za profil kako je navedeno u MIL-PRF-39012/45.

N SERIES
  • N-JB2
    N-JB2
    Model Vrsta kabela d
    N-JB2 SFT-50-2,670-086 Φ2.2
    N-JB3 SFT-50-3,670-141 F3.6
  • N-JB3-1
    N-JB3-1
    Model Vrsta kabela L
    N-JB3-1 SFT-50-3,670-141 17.6
    N-JB3A-1 SFT-50-3,670-141 16.5
  • N-KB3
    N-KB3
    Model Vrsta kabela
    N-KB3 SFT-50-3,670-141
  • N-KFB3
    N-KFB3
    Model Vrsta kabela
    N-KFB3 SFT-50-3,670-141
  • N-KYB3
    N-KYB3
    Model Vrsta kabela
    N-KYB3 SFT-50-3,670-141
  • N-J3
    N-J3
    Model Vrsta kabela
    N-J3 SYV-50-2-1,RG316
    N-J4 SYV-50-2-2
  • N-J5
    N-J5
    Model Vrsta kabela L
    N-J5 SYV-50-3,RG142, SFCJ-50-3-51 33
    N-J5C SYV-50-3,RG142, SFCJ-50-3-51 33
    N-J7 SYV-50-5-1, SFCJ-50-5-51 36
    N-J10 SYV-50-7-1, SYV-50-7-2,SFCJ-50-7-51 36
  • N-J5.3
    N-J5.3
    Model Vrsta kabela
    N-J5.3 32055,205,GNB415
  • N-J311
    N-J311
    Model Vrsta kabela
    N-J311 FFB311A
  • N-J10-1
    N-J10-1
    Model Vrsta kabela
    N-J10-1 SFCJ-50-7-51
  • N-JW5
    N-JW5
    Model Vrsta kabela
    N-JW5 SFCJ-50-3-51,SYV-50-3-4,RG142
    N-JW7 SFCJ-50-5-51,SYV-50-5-1
    N-JW10 SFCJ-50-7-51,SYV-50-7-2
  • N-JW8A
    N-JW8A
    Model Vrsta kabela
    N-JW8A FFB311A,SYV-50-5
    N-JW12A SYV-75-3
    N-JW13A SYV-75-5
  • N-K3
    N-K3
    Model Vrsta kabela
    N-K3 SYV-50-2-1,RG316
  • N-K5
    N-K5
    Model Vrsta kabela L
    N-K5 SYV-50-3,RG142, SFCJ-50-3-51 36
    N-K7 SYV-50-5-1,SFCJ-50-5-51 38
    N-K10 SYV-50-7-1,SFCJ-50-7-51 38
  • N-KF5
    N-KF5
    Model Vrsta kabela L
    N-KF5 SYV-50-3,RG142,SFCJ-50-3-51 36
    N-KF7 SYV-50-5-1,SFCJ-50-5-51 38
    N-KF10 SYV-50-7-1,SFCJ-50-7-51 38
  • N-KF3A
    N-KF3A
    Model Vrsta kabela L
    N-KF3A SYV-50-2-1,RG316 33
    N-KF5A SYV-50-3-4,RG142 42
  • N-KY3Y
    N-KY3Y
    Model Vrsta kabela
    N-KY3Y SYV-50-2-1,RG316
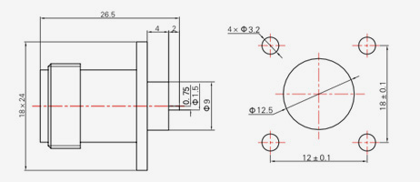
  • N-KFD
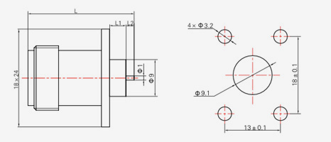
    N-KFD
    Model L L1 L2
    KFD 26 4 2
    KFD2 31 6 5
    KFD15 30 6 4
    KFD16 28.5 6 2.5
    KFD17 28 6 2
    KFD18 29 5 4
    KFD19 29 4 5
    KFD20 33 4 9
  • N-KF
    N-KF
  • N-JFD1
    N-JFD1
  • N-JFD2
    N-JFD2
  • N-JFD3
    N-JFD3
  • N-JFD23
    N-JFD23
  • N-KFD1
    N-KFD1
  • N-KFD7
    N-KFD7
  • N-KFD11
    N-KFD11
  • N-KFD50
    N-KFD50
  • N-KFD-Z
    N-KFD-Z
  • N-KFD9
    N-KFD9
  • N-KFD14
    N-KFD14

OSTANIMO U KONTAKTU

[#ulazni#]
POŠALJI
O nama
Ningbo Hanson Communication Technology Co., Ltd.
Ningbo Hanson Communication Technology Co., Ltd.
Ningbo Hanson Communication Technology Co., Ltd. is China N type RF Coaxial Connector Supplier and Custom N type RF Coaxial Connector Company. We are a manufacturer specializing in the production, processing, and trade of communication components, with more than 30 years of experience in RF coaxial connectors, adapters, and cable assemblies. Tvrtka je sada razvila vlastitu radionicu za strojnu obradu, radionicu za galvanizaciju, radionicu za montažu i grupu stabilnih i pouzdanih dobavljača. Svrha tvrtke je pružiti kupcima proizvode visoke kvalitete. Glavni proizvodi su RF koaksijalni konektori, adapteri, sklopovi visokofrekventnih kabela i sklopovi kabela niske intermodulacije. Osim toga, tvrtka također može pružiti usluge kupcima s prilagođenim potrebama kako bi zadovoljila posebne zahtjeve kupaca za proizvodima. Proizvodi tvrtke naširoko se koriste u zrakoplovstvu, komunikacijskim baznim stanicama, medicinskoj opremi i drugim područjima visoke tehnologije. U vrijeme reforme poduzeća, inovacija, razvoja i rasta, tvrtka je preuzela inicijativu da se pridruži međunarodnom sustavu upravljanja kvalitetom ISO9001 i kontinuirano poboljšava razinu upravljanja kako bi ponudila zadovoljavajuće proizvode i usluge novim i starim kupcima.
Najnovije vijesti
Tražite poslovnu priliku?

Zatražite poziv već danas