OEM TNC konektor Supplier

TNC konektor

Opis:

RF koaksijalni konektori serije TNC razvijeni su i proizvedeni prema američkom vojnom standardu MIL-C-39012. Imaju karakteristike široke propusnosti, pouzdane veze i dobre otpornosti na udarce. Prikladni su za konektore i RF kabele za ulaz i izlaz signala radio opreme, elektroničkih instrumenata, raznih laserskih komponenti.

Parametar:

Glavne tehničke specifikacije:
◆ Karakteristična impedancija: 50Ω
◆ Frekvencijski raspon: DC-18GHz
◆ Izolacijski otpor: ≥5000MΩ
◆ Dielektrični otporni napon: 1500 V (rms)
◆ Omjer stojnog vala napona (VSWR): ≤1,30
◆ Ciklusi parenja: 500 puta

Raspitajte se

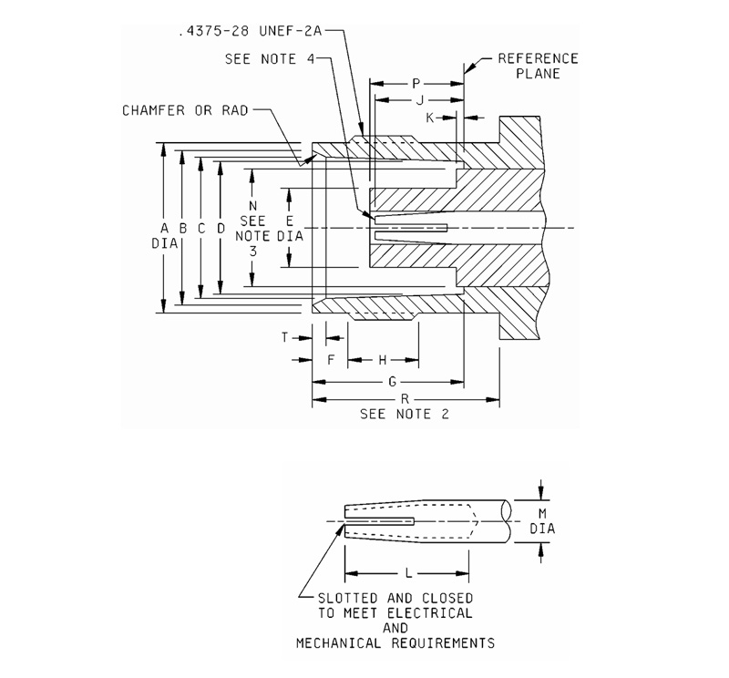
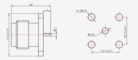
Dim
Ltr
Milimetri (inči)
Minimum Maksimalno
A 0,378 (9,60) 0,381 (9,68)
B 0,346 (8,79) 0,356 (9,04)
C 0,327 (8,31) 0,333 (8,46)
D 0,319 (8,10) 0,321 (8,15)
E ------- 0,186 (4,72)
F 0,068 (1,73) 0,088 (2,24)
G 0,327 (8,31) 0,335 (8,51)
H 0,187 (4,75) -------
J 0,186 (4,72) 0,206 (5,23)
K ------- 0,006 (0,15)
L 0,195 (4,95) -------
M 0,081 (2,06) 0,087 (2,21)
N ------- 0,256 (6,50)
P 0,188 (4,78) 0,208 (5,28)
R 0,414 (10,52) -------
T 0,015 (0,38) 0,030 (0,76)

Bilješke:
1. Ovo sučelje mora ispunjavati zahtjeve za profil kako je navedeno u
MIL-PRF-39012/28.
2. Zazor za spojnu maticu spojnog konektora.
3. Dimenzija se odnosi na taj dio (ako je primjenjivo) dielektrika
koji strši izvan metala
rame (ili referentna ravnina) dimenzijom K.
4. ID kako bi se zadovoljio VSwR kada se spoji sa klinom promjera .052 inča (1.32 mm)/.054 (1.37 mm).

Dim
Ltr
Milimetri (inči)
Minimum Maksimalno
A 0,440 (11,18) -------
B Mjerni test
C 0,190 (4,83) -------
D 0,052 (1,32) 0,054 (1,37)
E 0,210 (5,33) 0,230 (5,84)
F 0,006 (0,15) -------
G 0,208 (5,28) 0,228 (5,79)
H 0,003 (0,08) 0,040 (1,02)
K 0,078 (1,98) -------
M ------- 0,078 (1,98)
N 0,063 (1,60) -------
P 0,156 (3,96) -------
R ------- 0,025 (0,64)
T ------- 0,322 (8,18)

Bilješke:
1. Ovo sučelje mora ispunjavati zahtjeve za profil kako je navedeno u MIL-PRF-39012/26.

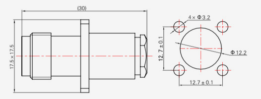
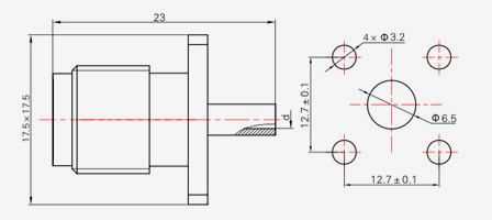
TNC SERIES
  • TNC-KF3A
    TNC-KF3A
    Model Vrsta kabela
    TNC-KF3A SYV-50-2-1,RG316
    TNC-KF5A SYV-50-3,RG142,SFCJ-50-3-51
  • TNC-KF3A-1
    TNC-KF3A-1
    Model Vrsta kabela
    TNC-KF3A-1 SYV-50-2-1,RG316
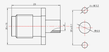
  • TNC-JB2
    TNC-JB2
    Model Vrsta kabela d
    TNC-JB2 SFT-50-2,670-086 Φ2.2
    TNC-JB3 SFT-50-3,670-141 Φ3,6
  • TNC-JWB2
    TNC-JWB2
    Model Vrsta kabela d
    TNC-JWB2 SFT-50-2,670-086 Φ2.2
    TNC-JWB3 SFT-50-3,670-141 Φ3,6
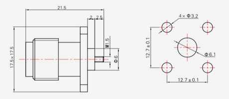
  • TNC-KB2
    TNC-KB2
    Model Vrsta kabela d
    TNC-KB2 SFT-50-2,670-086 Φ2.2
    TNC-KB3 SFT-50-3,670-141 Φ3,6
  • TNC-KFB2
    TNC-KFB2
    Model Vrsta kabela d
    TNC-KFB2 SFT-50-2,670-086 Φ2.2
    TNC-KFB3 SFT-50-3,670-141 Φ3,6
  • TNC-KFB2-1
    TNC-KFB2-1
    Model Vrsta kabela d
    TNC-KFB2-1 SFT-50-2,670-086 Φ2.2
    TNC-KFB3-1 SFT-50-3,670-141 Φ3,6
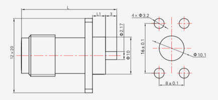
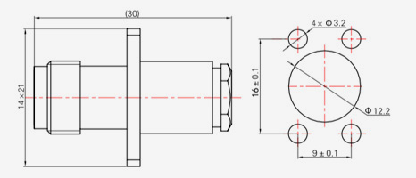
  • TNC-KFD2
    TNC-KFD2
    Model L L1
    KFD2 27 3.5
    KFD3 22 2
  • TNC-J3A
    TNC-J3A
    Model Vrsta kabela
    TNC-J3A SYV-50-2-1,RG316
    TNC-J5A SYV-50-3-4,RG142, SFCJ-50-3-51
    TNC-J5AC
  • TNC-J4
    TNC-J4
    Model Vrsta kabela L
    TNC-J4 SYV-50-2-2 31
    TNC-J5 SYV-50-3-4, SFCJ-50-3-51,RG316 31
    TNC-(K)5
    TNC-J5C
    TNC-J7 SYV-50-5-1, SFCJ-50-5-51 36
    TNC-J7C
    TNC-J10 SYV-50-7-1,SYV-50-7-2, SFCJ-50-7-51 36
    TNC-J10C
  • TNC-JW5
    TNC-JW5
    Model Vrsta kabela
    TNC-JW5 SYV-50-3-4,SFCJ-50-3-51,RG142
    TNC-JW7 SYV-50-5-1,SFCJ-50-5-51
    TNC-JW10 SYV-50-7-2,SFCJ-50-7-51
  • TNC-JW5-1
    TNC-JW5-1
    Model Vrsta kabela
    TNC-JW5-1 SYV-50-3-4,SFCJ-50-3-51,RG142
  • TNC-K5
    TNC-K5
    Model Vrsta kabela L
    TNC-K5 SYV-50-3-4, SFCJ-50-3-51,RG142 31
    TNC-(J)5
    TNC-K7 SYV-50-5-1, SFCJ-50-5-51 33
    TNC-K10 SYV-50-7-1, SYV-50-7-2,SFCJ-50-7-51 33
  • TNC-KFD1
    TNC-KFD1
  • TNC-KFD4
    TNC-KFD4

OSTANIMO U KONTAKTU

[#ulazni#]
POŠALJI
O nama
Ningbo Hanson Communication Technology Co., Ltd.
Ningbo Hanson Communication Technology Co., Ltd.
Ningbo Hanson Communication Technology Co., Ltd. is China TNC konektor Supplier and Custom TNC konektor Company. We are a manufacturer specializing in the production, processing, and trade of communication components, with more than 30 years of experience in RF coaxial connectors, adapters, and cable assemblies. Tvrtka je sada razvila vlastitu radionicu za strojnu obradu, radionicu za galvanizaciju, radionicu za montažu i grupu stabilnih i pouzdanih dobavljača. Svrha tvrtke je pružiti kupcima proizvode visoke kvalitete. Glavni proizvodi su RF koaksijalni konektori, adapteri, sklopovi visokofrekventnih kabela i sklopovi kabela niske intermodulacije. Osim toga, tvrtka također može pružiti usluge kupcima s prilagođenim potrebama kako bi zadovoljila posebne zahtjeve kupaca za proizvodima. Proizvodi tvrtke naširoko se koriste u zrakoplovstvu, komunikacijskim baznim stanicama, medicinskoj opremi i drugim područjima visoke tehnologije. U vrijeme reforme poduzeća, inovacija, razvoja i rasta, tvrtka je preuzela inicijativu da se pridruži međunarodnom sustavu upravljanja kvalitetom ISO9001 i kontinuirano poboljšava razinu upravljanja kako bi ponudila zadovoljavajuće proizvode i usluge novim i starim kupcima.
Najnovije vijesti
Tražite poslovnu priliku?

Zatražite poziv već danas