OEM SMP hermetički zatvoreni konektor Supplier

Ningbo Hanson Communication Technology Co., Ltd. Dom / Proizvodi / Hermetički zatvorena serija / SMP hermetički zatvoreni konektor

SMP hermetički zatvoreni konektor

Opis:

Hermetički RF koaksijalni konektor tipa SMP-J ima karakteristike hermetičkog pakiranja i može se pakirati i zavariti na cijevnu ljusku ili ploču uređaja. Oklop i unutarnji vodič ovog proizvoda izrađeni su od legure Kovar, a površina može biti obložena tvrdim ili mekim zlatom; izolacijski medij izrađen je od stakla sinteriranog na visokoj temperaturi, a dielektrična konstanta je oko 4. Ima prednosti male veličine, male težine, hermetičkog brtvljenja, visoke pouzdanosti itd. Uglavnom se koristi u prilikama sa zahtjevima za brtvljenjem ili posebnim zahtjevima za volumen i težinu proizvoda, te je pogodan za intenzivnu ugradnju.

Raspitajte se

Osnovna struktura:
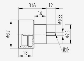
Zračno zatvoren RF koaksijalni konektor tipa SMP-J obično se sastoji od tri dijela: vanjskog vodiča, staklenog medija i unutarnjeg vodiča, a osnovna struktura prikazana je na slici.

Kada se izloženi dio unutarnjeg vodiča proizvoda spoji umetanjem ili površinskim zavarivanjem, krajnja strana unutarnjeg vodiča može se proizvesti kao sferna glava; kada je izloženi dio unutarnjeg vodiča proizvoda spojen lijepljenjem, krajnja površina unutarnjeg vodiča može se proizvesti kao ravna glava ili se strana izloženog dijela unutarnjeg vodiča može glodati.

Glavni tehnički parametri:

Električne karakteristike
Karakteristična impedancija 50Ω Frekvencijski raspon DC ~ 40 GHz
Dielektrični podnosivi napon 500Vrms Otpor izolacije 2000M Ω
Napon VSWR <1,4 Insercijski gubitak ≤0,05 √f dB(GHz)
Materijalna i mehanička, ekološka svojstva
Kućište Lavable Legura/pozlaćena Igle Utikač Torij Pozlata od legure koja se može prenositi
Izolacijski medij Staklo Izdržljivost konektora Potpuni pritvor ≥100 puta
Stopa curenja ≤1,01325×10 Godišnje ·m³/s Ograničeno zadržavanje ≥500 puta
Radna temperatura -65 ℃ ~ 165 ℃ Glatki provrt ≥1000 puta

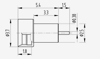
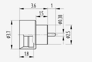
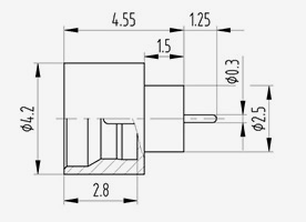
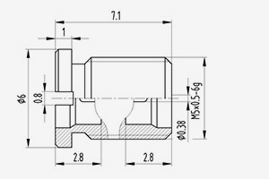
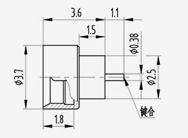
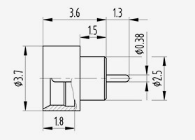
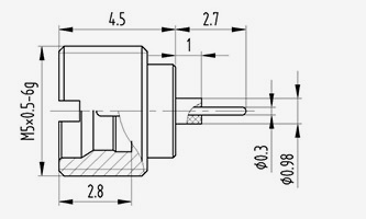
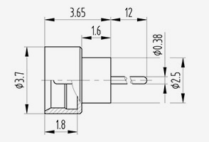
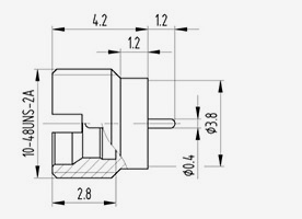
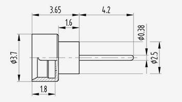
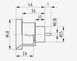
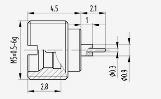
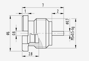
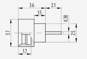
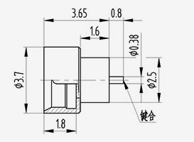
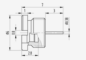
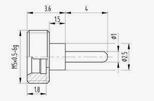
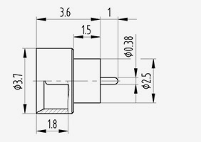
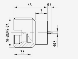
Dimenzije sučelja:
RF koaksijalni konektori tipa SMP-J sa zračnim brtvljenjem imaju tri oblika sučelja: puni izlaz, poluizlaz i svjetlosni otvor. U nazivu modela, F označava puni ispust, L znači polovični ispust, a S označava svjetlosni otvor. Dimenzije sučelja dijele se na standardne dimenzije sučelja i kratke dimenzije sučelja, a obje se mogu spojiti s utikačima tipa SMP-K.

Standardna veličina sučelja:

Veličina kratkog sučelja:

SMP SERIES
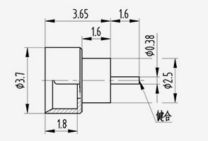
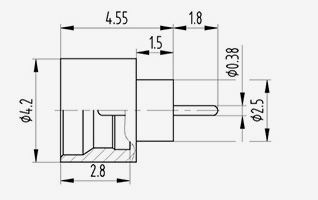
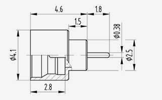
  • SMP(M)-JYD3S
    SMP(M)-JYD3S
    Model Primjedbe
    SMP(M)-JYD3S Glatki provrt
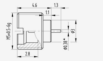
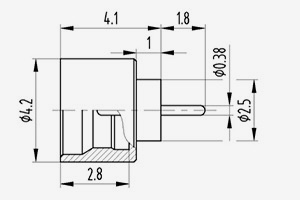
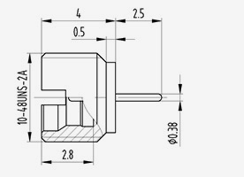
  • SMP(M)-JYD6L
    SMP(M)-JYD6L
    Model Primjedbe
    SMP(M)-JYD6L Ograničeno zadržavanje
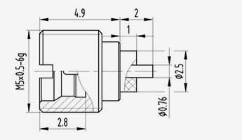
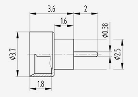
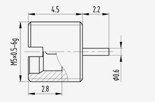
  • SMP(M)-JYD12L
    SMP(M)-JYD12L
    Model Primjedbe
    SMP(M)-JYD12L Potpuni pritvor
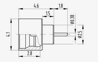
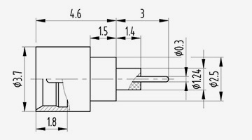
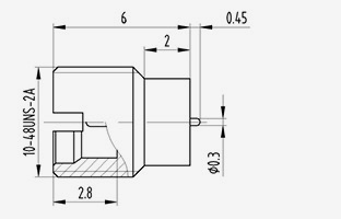
  • SMP(M)-JYD13F
    SMP(M)-JYD13F
    Model Primjedbe
    SMP(M)-JYD13F Puni zastoj
  • SMP(M)-JYD14L
    SMP(M)-JYD14L
    Model Primjedbe
    SMP(M)-JYD14L Ograničeno zadržavanje
  • SMP(M)-JYD17S
    SMP(M)-JYD17S
    Model Primjedbe
    SMP(M)-JYD17S Glatki provrt
  • SMP(M)-JYD19L
    SMP(M)-JYD19L
    Model Primjedbe
    SMP(M)-JYD19L Ograničeno zadržavanje
  • SMP(M)-JYD22S
    SMP(M)-JYD22S
    Model Primjedbe
    SMP(M)-JYD22S Ograničeno zadržavanje
  • SMP(M)-JYD23S
    SMP(M)-JYD23S
    Model Primjedbe
    SMP(M)-JYD23S Ograničeno zadržavanje
  • SMP(M)-JYD24S
    SMP(M)-JYD24S
    Model Primjedbe
    SMP(M)-JYD24S Ograničeno zadržavanje
  • SMP(M)-JYD25L
    SMP(M)-JYD25L
    Model Primjedbe
    SMP(M)-JYD25L Ograničeno zadržavanje
  • SMP(M)-JYD26L
    SMP(M)-JYD26L
    Model Primjedbe
    SMP(M)-JYD26L Ograničeno zadržavanje
  • SMP(M)-JYD27L
    SMP(M)-JYD27L
    Model Primjedbe
    SMP(M)-JYD27L Ograničeno zadržavanje
  • SMP(M)-JYD28L
    SMP(M)-JYD28L
    Model Primjedbe
    SMP(M)-JYD28L Ograničeno zadržavanje
  • SMP(M)-JYD29L
    SMP(M)-JYD29L
    Model Primjedbe
    SMP(M)-JYD29L Ograničeno zadržavanje
  • SMP(M)-JYD30L
    SMP(M)-JYD30L
    Model Primjedbe
    SMP(M)-JYD30L Ograničeno zadržavanje
  • SMP(M)-JYD31L
    SMP(M)-JYD31L
    Model Primjedbe
    SMP(M)-JYD31L Ograničeno zadržavanje
  • SMP(M)-JYD32F
    SMP(M)-JYD32F
    Model Primjedbe
    SMP(M)-JYD32F Ograničeno zadržavanje
  • SMP(M)-JYD33L
    SMP(M)-JYD33L
    Model Primjedbe
    SMP(M)-JYD33L Ograničeno zadržavanje
  • SMP(M)-JYD34L
    SMP(M)-JYD34L
    Model Primjedbe
    SMP(M)-JYD34L Ograničeno zadržavanje
  • SMP(M)-JYD35L
    SMP(M)-JYD35L
    Model Primjedbe
    SMP(M)-JYD35L Ograničeno zadržavanje
  • SMP(M)-JYD37L
    SMP(M)-JYD37L
    Model Primjedbe
    SMP(M)-JYD37L Ograničeno zadržavanje
  • SMP(M)-JYD41L
    SMP(M)-JYD41L
    Model Primjedbe
    SMP(M)-JYD41L Ograničeno zadržavanje
  • SMP(M)-JYD42S
    SMP(M)-JYD42S
    Model Primjedbe
    SMP(M)-JYD42S Ograničeno zadržavanje
  • SMP(M)-JYD43L
    SMP(M)-JYD43L
    Model Primjedbe
    SMP(M)-JYD43L Ograničeno zadržavanje
  • SMP(M)-JYD44L
    SMP(M)-JYD44L
    Model Primjedbe
    SMP(M)-JYD44L Ograničeno zadržavanje
  • SMP(M)-JYD45L
    SMP(M)-JYD45L
    Model Primjedbe
    SMP(M)-JYD45L Ograničeno zadržavanje
  • SMP(M)-JYD46L
    SMP(M)-JYD46L
    Model Primjedbe
    SMP(M)-JYD46L Ograničeno zadržavanje
  • SMP(M)-JYD47L
    SMP(M)-JYD47L
    Model Primjedbe
    SMP(M)-JYD47L Ograničeno zadržavanje
  • SMP(M)-JYD48L
    SMP(M)-JYD48L
    Model Primjedbe
    SMP(M)-JYD48L Ograničeno zadržavanje
  • SMP(M)-JYD49L
    SMP(M)-JYD49L
    Model Primjedbe
    SMP(M)-JYD49L Ograničeno zadržavanje
  • SMP(M)-JYD50S
    SMP(M)-JYD50S
    Model Primjedbe
    SMP(M)-JYD50S Glatki provrt
  • SMP(M)-JYD51L
    SMP(M)-JYD51L
    Model Primjedbe
    SMP(M)-JYD51L Ograničeno zadržavanje
  • SMP(M)-JYD52S
    SMP(M)-JYD52S
    Model Primjedbe
    SMP(M)-JYD52S Glatki provrt
  • SMP(M)-JYD53L
    SMP(M)-JYD53L
    Model Primjedbe
    SMP(M)-JYD53L Ograničeno zadržavanje
  • SMP(M)-JYD54S
    SMP(M)-JYD54S
    Model Primjedbe
    SMP(M)-JYD54S Glatki provrt
  • SMP(M)-JYD55L
    SMP(M)-JYD55L
    Model Primjedbe
    SMP(M)-JYD55L Ograničeno zadržavanje
  • SMP(M)-JYD57S
    SMP(M)-JYD57S
    Model Primjedbe
    SMP(M)-JYD57S Glatki provrt
  • SMP(M)-JYD80L
    SMP(M)-JYD80L
    Model Primjedbe
    SMP(M)-JYD80L Ograničeno zadržavanje
  • SMP(M)-JYD81L
    SMP(M)-JYD81L
    Model Primjedbe
    SMP(M)-JYD81L Ograničeno zadržavanje
  • SMP(M)-JYD82L
    SMP(M)-JYD82L
    Model Primjedbe
    SMP(M)-JYD82L Ograničeno zadržavanje
  • SMP(M)-JYD83F
    SMP(M)-JYD83F
    Model Primjedbe
    SMP(M)-JYD83F Potpuni pritvor
  • SMP(M)-JYD84S
    SMP(M)-JYD84S
    Model Primjedbe
    SMP(M)-JYD84S Glatki provrt
  • SMP(M)-JYD85S
    SMP(M)-JYD85S
    Model Primjedbe
    SMP(M)-JYD85S Glatki provrt
  • SMP(M)-JYD86L
    SMP(M)-JYD86L
    Model Primjedbe
    SMP(M)-JYD86L Ograničeno zadržavanje
  • SMP(M)-JYD87S
    SMP(M)-JYD87S
    Model Primjedbe
    SMP(M)-JYD87S Glatki provrt
  • SMP(M)-JYD88L
    SMP(M)-JYD88L
    Model Primjedbe
    SMP(M)-JYD88L Ograničeno zadržavanje
  • SMP(M)-JYD89L
    SMP(M)-JYD89L
    Model Primjedbe
    SMP(M)-JYD89L Ograničeno zadržavanje
  • SMP(M)-JYD90L
    SMP(M)-JYD90L
    Model Primjedbe
    SMP(M)-JYD90L Ograničeno zadržavanje
  • SMP(M)-JYD91L
    SMP(M)-JYD91L
    Model Primjedbe
    SMP(M)-JYD91L Ograničeno zadržavanje
  • SMP(M)-JYD92L
    SMP(M)-JYD92L
    Model Primjedbe
    SMP(M)-JYD92L Ograničeno zadržavanje
  • SMP(M)-JYD93S
    SMP(M)-JYD93S
    Model Primjedbe
    SMP(M)-JYD93S Glatki provrt
  • SMP(M)-JYD94L
    SMP(M)-JYD94L
    Model Primjedbe
    SMP(M)-JYD94L Ograničeno zadržavanje
  • SMP(M)-JYD95L
    SMP(M)-JYD95L
    Model Primjedbe
    SMP(M)-JYD95L Ograničeno zadržavanje
  • SMP(M)-JYD96L
    SMP(M)-JYD96L
    Model Primjedbe
    SMP(M)-JYD96L Ograničeno zadržavanje
  • SMP(M)-JYD97S
    SMP(M)-JYD97S
    Model Primjedbe
    SMP(M)-JYD97S Glatki provrt
  • SMP(M)-JYJ1S
    SMP(M)-JYJ1S
    Model Primjedbe
    SMP(M)-JYJ1S Glatki provrt

OSTANIMO U KONTAKTU

[#ulazni#]
POŠALJI
O nama
Ningbo Hanson Communication Technology Co., Ltd.
Ningbo Hanson Communication Technology Co., Ltd.
Ningbo Hanson Communication Technology Co., Ltd. is China SMP hermetički zatvoreni konektor Supplier and Custom SMP hermetički zatvoreni konektor Company. We are a manufacturer specializing in the production, processing, and trade of communication components, with more than 30 years of experience in RF coaxial connectors, adapters, and cable assemblies. Tvrtka je sada razvila vlastitu radionicu za strojnu obradu, radionicu za galvanizaciju, radionicu za montažu i grupu stabilnih i pouzdanih dobavljača. Svrha tvrtke je pružiti kupcima proizvode visoke kvalitete. Glavni proizvodi su RF koaksijalni konektori, adapteri, sklopovi visokofrekventnih kabela i sklopovi kabela niske intermodulacije. Osim toga, tvrtka također može pružiti usluge kupcima s prilagođenim potrebama kako bi zadovoljila posebne zahtjeve kupaca za proizvodima. Proizvodi tvrtke naširoko se koriste u zrakoplovstvu, komunikacijskim baznim stanicama, medicinskoj opremi i drugim područjima visoke tehnologije. U vrijeme reforme poduzeća, inovacija, razvoja i rasta, tvrtka je preuzela inicijativu da se pridruži međunarodnom sustavu upravljanja kvalitetom ISO9001 i kontinuirano poboljšava razinu upravljanja kako bi ponudila zadovoljavajuće proizvode i usluge novim i starim kupcima.
Najnovije vijesti
Tražite poslovnu priliku?

Zatražite poziv već danas