OEM SMPM hermetički zatvoreni konektor Supplier

Ningbo Hanson Communication Technology Co., Ltd. Dom / Proizvodi / Hermetički zatvorena serija / SMPM hermetički zatvoreni konektor

SMPM hermetički zatvoreni konektor

Opis:

SMPM (SubMiniature Push-on Micro) zatvoreni konektor je minijaturizirani RF konektor s punim izlazom, polu-izlazom i svjetlosnim otvorom, dizajniran za visoke frekvencije, kompaktan prostor i lagane primjene. To je push-on konektor koji se obično koristi u komunikacijskoj i elektroničkoj opremi koja zahtijeva malu težinu, visoku pouzdanost i malu veličinu. SMPM konektori imaju visoku kvalitetu prijenosa signala i mogu pružiti dobre električne performanse.

Raspitajte se

Osnovna struktura:
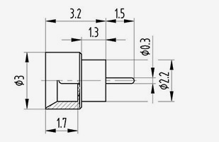
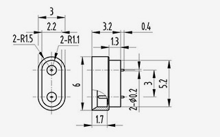
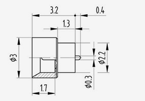
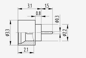
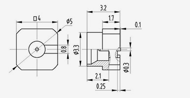
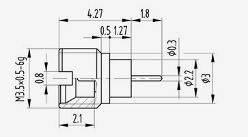
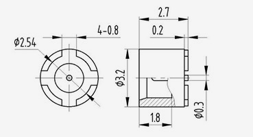
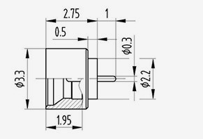
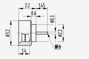
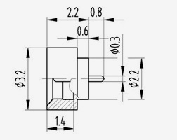
RF koaksijalni konektor zatvoren zrakom tipa SMPM-J sastoji se od tri dijela: vanjskog vodiča, staklenog medija i unutarnjeg vodiča, osnovna struktura prikazana je na slici ispod:

Glavni tehnički parametri:

Električne karakteristike
Karakteristična impedancija 50Ω Frekvencijski raspon DC ~ 40 GHz
Dielektrični podnosivi napon 500Vrms Otpor izolacije 2000M Ω
Napon VSWR <1,4 Insercijski gubitak ≤0,05 √f dB(GHz)
Materijalna i mehanička, ekološka svojstva
Kućište Lavable Legura/pozlaćena Igle Lavable legura/pozlaćeno
Izolacijski medij Staklo Izdržljivost konektora Potpuni bijeg 100 puta
Stopa curenja ≤1,01325×10 Godišnje ·m³/s optička rupa 1000 puta
Radna temperatura -65 ℃ ~ 165 ℃

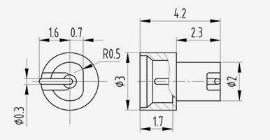
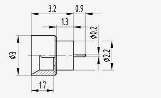
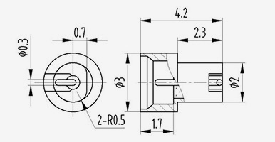
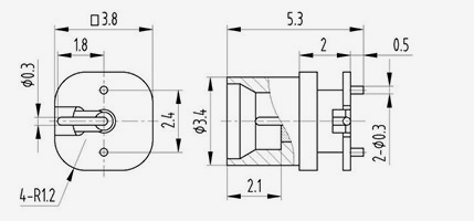
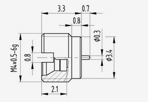
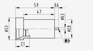
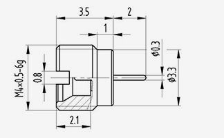
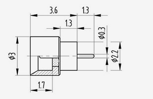
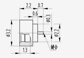
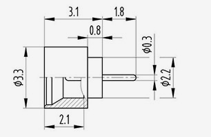
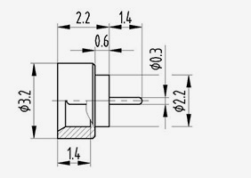
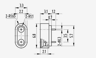
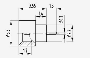
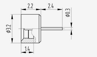
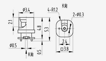
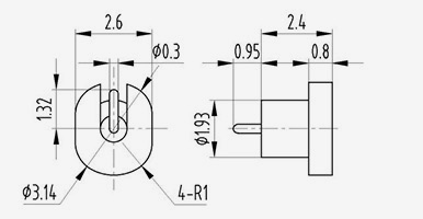
Veličina sučelja:
RF koaksijalni konektori tipa SMPM-J sa zračnim brtvljenjem imaju dva oblika sučelja: puni izlaz i goli otvor. Kod naziva modela, F označava potpuni izlaz i
S znači svjetlosna rupa. Dimenzije sučelja dijele se na standardne dimenzije sučelja i kratke dimenzije sučelja, a obje se mogu spojiti s utikačima tipa SMPM-K.
Standardna veličina sučelja:

Kratke dimenzije sučelja:

SMPM SERIES
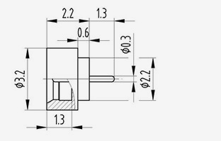
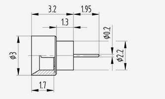
  • SMPM(M)-JYD3S
    SMPM(M)-JYD3S
    Model Primjedbe
    SMPM(M)-JYD3S Glatki provrt
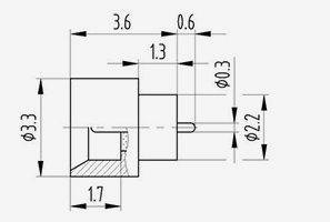
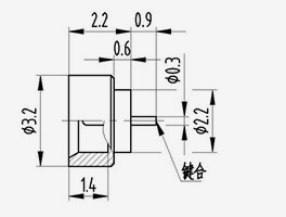
  • SMPM(M)-JYD5S
    SMPM(M)-JYD5S
    Model Primjedbe
    SMPM(M)-JYD5S Glatki provrt
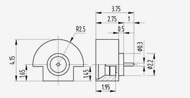
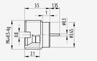
  • SMPM(M)-JYD8F
    SMPM(M)-JYD8F
    Model Primjedbe
    SMPM(M)-JYD8F Puni zastoj
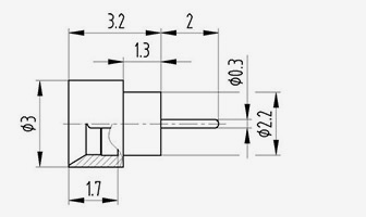
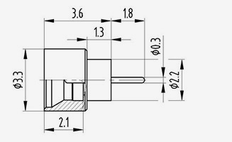
  • SMPM(M)-JYD10F
    SMPM(M)-JYD10F
    Model Primjedbe
    SMPM(M)-JYD10F Puni zastoj
  • SMPM(M)-JYD12S
    SMPM(M)-JYD12S
    Model Primjedbe
    SMPM(M)-JYD12S Glatki provrt
  • SMPM(M)-JYD13F
    SMPM(M)-JYD13F
    Model Primjedbe
    SMPM(M)-JYD13F Potpuni pritvor
  • SMPM(M)-JYD14F
    SMPM(M)-JYD14F
    Model Primjedbe
    SMPM(M)-JYD14F Potpuni pritvor
  • SMPM(M)-JYD15F
    SMPM(M)-JYD15F
    Model Primjedbe
    SMPM(M)-JYD15F Puni zastoj
  • SMPM(M)-JYD16S
    SMPM(M)-JYD16S
    Model Primjedbe
    SMPM(M)-JYD16S Glatki provrt
  • SMPM(M)-JYD17S
    SMPM(M)-JYD17S
    Model Primjedbe
    SMPM(M)-JYD17S Glatki provrt
  • SMPM(M)-JYD18S
    SMPM(M)-JYD18S
    Model Primjedbe
    SMPM(M)-JYD18S Glatki provrt
  • SMPM(M)-JYD19S
    SMPM(M)-JYD19S
    Model Primjedbe
    SMPM(M)-JYD19S Glatki provrt
  • SMPM(M)-JYD20F
    SMPM(M)-JYD20F
    Model Primjedbe
    SMPM(M)-JYD20F Puni zastoj
  • SMPM(M)-JYD21S
    SMPM(M)-JYD21S
    Model Primjedbe
    SMPM(M)-JYD21S Glatki provrt
  • SMPM(M)-JYD22F
    SMPM(M)-JYD22F
    Model Primjedbe
    SMPM(M)-JYD22F Puni zastoj
  • SMPM(M)-JYD23S
    SMPM(M)-JYD23S
    Model Primjedbe
    SMPM(M)-JYD23S Glatki provrt
  • SMPM(M)-JYD24F
    SMPM(M)-JYD24F
    Model Primjedbe
    SMPM(M)-JYD24F Potpuni pritvor
  • SMPM(M)-JYD25F
    SMPM(M)-JYD25F
    Model Primjedbe
    SMPM(M)-JYD25F Puni zastoj
  • SMPM(M)-JYD26F
    SMPM(M)-JYD26F
    Model Primjedbe
    SMPM(M)-JYD26F Puni zastoj
  • SMPM(M)-JYD27S
    SMPM(M)-JYD27S
    Model Primjedbe
    SMPM(M)-JYD27S Glatki provrt
  • SMPM(M)-JYD28S
    SMPM(M)-JYD28S
    Model Primjedbe
    SMPM(M)-JYD28S Glatki provrt
  • SMPM(M)-JYD29F
    SMPM(M)-JYD29F
    Model Primjedbe
    SMPM(M)-JYD29F Potpuni pritvor
  • SMPM(M)-JYD30S
    SMPM(M)-JYD30S
    Model Primjedbe
    SMPM(M)-JYD30S Glatki provrt
  • SMPM(M)-JYD31F
    SMPM(M)-JYD31F
    Model Primjedbe
    SMPM(M)-JYD31F Puni zastoj
  • SMPM(M)-JYD32F
    SMPM(M)-JYD32F
    Model Primjedbe
    SMPM(M)-JYD32F Potpuni pritvor
  • SMPM(M)-JYD33S
    SMPM(M)-JYD33S
    Model Primjedbe
    SMPM(M)-JYD33S Glatki provrt
  • SMPM(M)-JYD34S
    SMPM(M)-JYD34S
    Model Primjedbe
    SMPM(M)-JYD34S Glatki provrt
  • SMPM(M)-JYD35S
    SMPM(M)-JYD35S
    Model Primjedbe
    SMPM(M)-JYD35S Glatki provrt
  • SMPM(M)-JYD36S
    SMPM(M)-JYD36S
    Model Primjedbe
    SMPM(M)-JYD36S Glatki provrt
  • SMPM(M)-JYD37S
    SMPM(M)-JYD37S
    Model Primjedbe
    SMPM(M)-JYD37S Glatki provrt
  • SMPM(M)-JYD38S
    SMPM(M)-JYD38S
    Model Primjedbe
    SMPM(M)-JYD38S Glatki provrt
  • SMPM(M)-JYD39S
    SMPM(M)-JYD39S
    Model Primjedbe
    SMPM(M)-JYD39S Glatki provrt
  • SMPM(M)-JYD41S
    SMPM(M)-JYD41S
    Model Primjedbe
    SMPM(M)-JYD41S Glatki provrt
  • SMPM(M)-JYD42S
    SMPM(M)-JYD42S
    Model Primjedbe
    SMPM(M)-JYD42S Glatki provrt
  • SMPM(M)-JYD43F
    SMPM(M)-JYD43F
    Model Primjedbe
    SMPM(M)-JYD43F Puni zastoj
  • SMPM(M)-JYD44F
    SMPM(M)-JYD44F
    Model Primjedbe
    SMPM(M)-JYD44F Potpuni pritvor
  • SMPM(M)-JYD45S
    SMPM(M)-JYD45S
    Model Primjedbe
    SMPM(M)-JYD45S Glatki provrt
  • SMPM(M)-JYD46S
    SMPM(M)-JYD46S
    Model Primjedbe
    SMPM(M)-JYD46S Glatki provrt
  • SMPM(M)-JYD60F
    SMPM(M)-JYD60F
    Model Primjedbe
    SMPM(M)-JYD60F Potpuni pritvor
  • SMPM(M)-JYD61F
    SMPM(M)-JYD61F
    Model Primjedbe
    SMPM(M)-JYD61F Potpuni pritvor
  • SMPM(M)-JYD62F
    SMPM(M)-JYD62F
    Model Primjedbe
    SMPM(M)-JYD62F Puni zastoj
  • SMPM(M)-JYD63S
    SMPM(M)-JYD63S
    Model Primjedbe
    SMPM(M)-JYD63S Glatki provrt
  • SMPM(M)-JYD64S
    SMPM(M)-JYD64S
    Model Primjedbe
    SMPM(M)-JYD64S Glatki provrt
  • SMPM(M)-JYD65S
    SMPM(M)-JYD65S
    Model Primjedbe
    SMPM(M)-JYD65S Glatki provrt
  • SMPM(M)-JYD66S
    SMPM(M)-JYD66S
    Model Primjedbe
    SMPM(M)-JYD66S Glatki provrt
  • SMPM(M)-JHD1S
    SMPM(M)-JHD1S
    Model Primjedbe
    SMPM(M)-JHD1S Glatki provrt
  • SMPM(M)-JHD2F
    SMPM(M)-JHD2F
    Model Primjedbe
    SMPM(M)-JHD2F Potpuni pritvor
  • SMPM(M)-JHD3F
    SMPM(M)-JHD3F
    Model Primjedbe
    SMPM(M)-JHD3F Puni zastoj
  • SMPM(M)-JHD4F
    SMPM(M)-JHD4F
    Model Primjedbe
    SMPM(M)-JHD4F Puni zastoj
  • SMPM(M)-JHD6F
    SMPM(M)-JHD6F
    Model Primjedbe
    SMPM(M)-JHD6F Potpuni pritvor
  • SMPM(M)-JHD21F
    SMPM(M)-JHD21F
    Model Primjedbe
    SMPM(M)-JHD21F Potpuni pritvor
  • SMPM(M)-JFD1S
    SMPM(M)-JFD1S
    Model Primjedbe
    SMPM(M)-JFD1S Glatki provrt
  • SMPM(M)-JWSD1S
    SMPM(M)-JWSD1S
    Model Primjedbe
    SMPM(M)-JWSD1S Glatki provrt
  • SMPM(M)-JWSD8
    SMPM(M)-JWSD8
    Model Primjedbe
    SMPM(M)-JWSD8
  • SMPM(M)-JWSD9S
    SMPM(M)-JWSD9S
    Model Primjedbe
    SMPM(M)-JWSD9S Glatki provrt
  • SMPM(M)-JWSD10S
    SMPM(M)-JWSD10S
    Model Primjedbe
    SMPM(M)-JWSD10S Glatki provrt
  • SMPM(M)-JSD1S
    SMPM(M)-JSD1S
    Model Primjedbe
    SMPM(M)-JSD1S Glatki provrt

OSTANIMO U KONTAKTU

[#ulazni#]
POŠALJI
O nama
Ningbo Hanson Communication Technology Co., Ltd.
Ningbo Hanson Communication Technology Co., Ltd.
Ningbo Hanson Communication Technology Co., Ltd. is China SMPM hermetički zatvoreni konektor Supplier and Custom SMPM hermetički zatvoreni konektor Company. We are a manufacturer specializing in the production, processing, and trade of communication components, with more than 30 years of experience in RF coaxial connectors, adapters, and cable assemblies. Tvrtka je sada razvila vlastitu radionicu za strojnu obradu, radionicu za galvanizaciju, radionicu za montažu i grupu stabilnih i pouzdanih dobavljača. Svrha tvrtke je pružiti kupcima proizvode visoke kvalitete. Glavni proizvodi su RF koaksijalni konektori, adapteri, sklopovi visokofrekventnih kabela i sklopovi kabela niske intermodulacije. Osim toga, tvrtka također može pružiti usluge kupcima s prilagođenim potrebama kako bi zadovoljila posebne zahtjeve kupaca za proizvodima. Proizvodi tvrtke naširoko se koriste u zrakoplovstvu, komunikacijskim baznim stanicama, medicinskoj opremi i drugim područjima visoke tehnologije. U vrijeme reforme poduzeća, inovacija, razvoja i rasta, tvrtka je preuzela inicijativu da se pridruži međunarodnom sustavu upravljanja kvalitetom ISO9001 i kontinuirano poboljšava razinu upravljanja kako bi ponudila zadovoljavajuće proizvode i usluge novim i starim kupcima.
Najnovije vijesti
Tražite poslovnu priliku?

Zatražite poziv već danas